Magnetic products
Picture_ OWIRH
Description
SMD coupling inductor that can function as a common mode choke (CMC), coupling inductor, or 1:1 transformer depending on the PCB connection configuration.
Features
• Shielded coupling Inductor
• Two connection methods: Parallel and Series
• Directly connected electrode on ferrite core
• Highly accurate dimensions for SMT
• RoHS and REACH compliant
Applications
• Satellite communication systems
• TV and audio equipment
• Microwave equipment
Characteristics
Test Voltage0.1V
Parameters Test Temp25°C
Operation Temp (Including temperature Rise)-40℃ to +125℃
Storage Temp0~40℃
Storage Humidity‹70% RH
Resistance to Soldering Heat260℃ for 10 sec
Rated Current.Ind. drops of 35%typ at Isat
Temperature Rise40℃ Typ. at Rated Current

Request more info

Download as pdf

OWIRHB127B-8R2M

Coupling Inductor
Product ID
Inductance
Impedance
DCR [mohm]
Isat [A]
Test condition
SRF [MHz]
Irms [A]
Custom 1
Samples
Inductors:
Product ID
inductance table
8.20 uH
impedance table
-
DCR max:
27.50
IsatA table:
5.94
test condition table
-
SRF [MHz] min:
Irms A table
-
Custom 1_products
samples visning
L tol note:
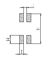
Shape and dimensions [mm]
A
B
C
D
E
F
G
H
I
J
Shape
A:
12.00
A tol:
±0.3
B:
12.00
B tol:
±0.3
C:
8.50
C tol:
Max.
D:
5.00
D tol:
Ref
E:
2.90
E tol:
Ref
F:
1.70
F tol:
Ref
G:
G tol:
H:
2.00
H tol:
Ref
I:
1.50
I tol:
Ref
J:
4.00
J tol:
Ref
Shape:
a
b
c
d
aa
12.50
aa tol
Ref
bb
bb tol
cc
cc tol
dd
dd tol
Dimension remarks:
Recommend dimension H,I,J, K for PCB pad
Dimensions Image:
OWIRHB0704 - 127B_dimensions
PAD Image:
OWIRHB0704 - 127B_pad
Schematic Image:
OWIRHB0704 - 127B_schematic
click images to enlarge
Ole Wolff Elektronik A/S | Roedengvej 14, 4180 Soroe, DK Denmark | +45 5783 3830 | sales@owolff.com